np. o dodatkową sygnalizację pracy.
Do zbudowania takiego układu będziemy potrzebować następujących podzespołów elektrycznych:
rozłącznik bezpiecznikowy (nieobowiązkowy - zależy, czy już w obwodzie nie ma wyłącznika nadprądowego),
wyłącznik nadprądowy,
wyłącznik silnikowy (termiczny i nadprądowy). Może się również zdarzyć sam wyłącznik termiczny, wtedy dodatkowo należy zastosować wyłącznik nadprądowy,
przyciski: start (NO), stop (NC), stop awaria (NC),
stycznik (cewka 230V, AC),
silnik trójfazowy,
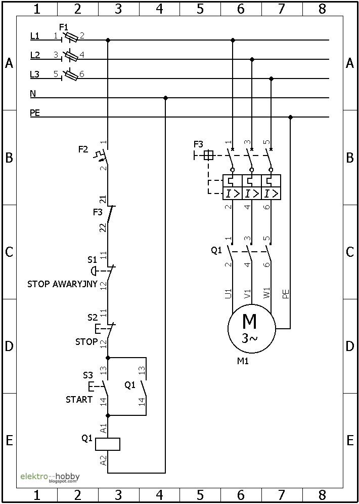
Schemat wygląda w następujący sposób:
![]() |
| Standardowy układ sterowania silnikiem trójfazowym na styczniku |
Całość została podzielona na dwie części. Po lewej stronie znajduje się obwód starowania, natomiast po prawej stronie znajdziemy obwód obciążeniowy.
W powyższym schemacie zabezpieczenia (F1, F2, F3) nie posiadają wartości. Należy je dobrać w zależności od zapotrzebowania. Przy czym należy przyjąć dla wyłącznika silnikowego (F3) ustawienie prądu wyłączenia o 10% większego niż znamionowy prąd silnika (można to ustawić za pomocą pokrętła umieszczonego na obudowie).
Cały układ działa w bardzo prosty sposób. Na początku zajmiemy się obwodem sterowania. Na początku został umieszczony wyłącznik nadprądowy (F2), którego zadaniem jest zabezpieczenie całego sterowania. Zwykle stosuje się tu wyłącznik nadprądowy o prądzie zadziałania 1-2A i o charakterystyce B. Aczkolwiek nie ma na to reguły. Wszystko zależy od stycznika. Następnie w gałęzi tej znajduje się styk pomocniczy (21-22) wyłącznika silnikowego (F3) - jest to styk NC ( normal closed - normalnie zamknięty). Jego zadaniem jest wyłączenie stycznika jeśli zadziała wyłącznik silnikowy (F3). Poniżej znajduje się przycisk (S1) tzw. "grzybek" - jest to przycisk awaryjny. W przycisku tym również wykorzystuje się styk NC. Po wciśnięciu tego przycisku stycznik zostanie wyłączony. Aby ponownie umożliwić zasterowanie stycznika należy wybić grzybek ( może być zwyczajnie wyciągany, można również spotkać obrotowe). Kolejnym przyciskiem jest przycisk stop (S2). Tutaj również wykorzystuje się styk NC. Jest to przycisk roboczy - służy do wyłączania silnika, poprzez stycznik. Kolejnym, już ostatnim przyciskiem jest przycisk start (S3). Tutaj wykorzystano styk NO (normal open). Gdy się naciśnie na ten przycisk, styki zostają zwarte. Następnie jest cewka stycznika (Q1) - w tym przypadku na 230V, AC, 50Hz, ale można również spotkać na inne napięcia np. 24V, 48V, 110V, 400V. Cewka stycznika ma oznaczenia A1 i A2. Należy również zwrócić uwagę na styk stycznika (Q1), który jest wpięty równolegle do przycisku start (S3). To właśnie za pomocą tego styku (13-14) realizowane jest podtrzymanie stycznika. Jeśli zostanie naciśnięty przycisk start (S3) to zasili on cewkę stycznika, co spowoduje zadziałanie stycznika. Wtedy styk pomocniczy (13-14) stycznika (Q1) zostanie zwarty i teraz to właśnie przez ten styk jest zasilana cewka stycznika. Usunięcie styku pomocniczego stycznika (Q1) spowoduje zadziałanie silnika tylko wtedy, gdy jest wciśnięty przycisk start (S3). Takie układy również się wykorzystuje np. w żurawiach wolnostojących, dzięki czemu możemy np. sterować w kontrolowany sposób wyciągarką, a co za tym idzie precyzyjnie włożyć jakąś ciężką cześć na swoje miejsce. W taki układzie nie umieszcza się również przycisku stop - jest po prostu zbędny.
Kolejnym obwodem w powyższym schemacie jest obwód prądowy. Jest to obwód w którym płyną większe prądy (chociaż i to jest uzależnione od mocy silnika). Pierwszym podzespołem elektrycznym w tym obwodzie jest tzw. wyłącznik silnikowy, którego już troszkę opisałem powyżej. Jego zadaniem jest zabezpieczenie silnika przed uszkodzeniem/spaleniem. W środku znajduje się element "ciepło czuły" - składa się z dwóch różnych materiałów, które inaczej rozszerzają się pod wpływem temperatury (bimetal). Pod wpływem przepływającego prądu bimetal się odkształca i rozłącza oraz załącza odpowiednie styki takiego wyłącznika silnikowego. Te z kolei mogą - tak jak w tym przypadku, rozłączyć cewkę stycznika, co spowoduje wyłączenie się silnika. Można również spotkać wyłączniki silnikowe, które nie mają styków pomocniczych (chociaż w większości przypadków można takie styki dołożyć). Takie wyłączniki silnikowe bezpośrednio rozłączają silnik. Wyłącznik silnikowy może zadziałać w razie: przeciążenia silnika, uszkodzony łożyska - większy opór tarcia, brak którejś z faz. Oczywiście, aby taki wyłącznik silnikowy zadziałał prawidłowo musi zostać dobrany do wartości znamionowych silnika.
Następnym elementem w tym obwodzie jest stycznik (Q1), który służy do załączania i wyłączania silnika. Są to oczywiście trzy styki NO. Warto jeszcze dodać, że stycznik działa również jako zabezpieczenie podnapięciowe. Jeśli wartość napięcia spadnie dość znacznie względem napięcia znamionowego cewki stycznika, wówczas styki stycznika zostaną rozłączone, a sam silnik wyłączony.
Kolejnym, już ostatni elementem w tym obwodzie jest sam silnik. Akurat na schemacie umieściłem silnik, który został już przez producenta podłączony w gwiazdę. Jeśli silnik kręciłby się w złą stronę, wystarczy tylko zamienić dwie fazy względem siebie np. L1 z L2.
W poniższym schemacie dodałem sygnalizację świetlną o awarii. Nie będę opisywał tym razem wszystkich podzespołów użytych w tym schemacie, ponieważ większość pozostała bez zmian. Został tylko dodatkowo wykorzystany jeszcze jeden styk wyłącznika silnikowego.
![]() |
| Standardowy układ sterowania silnikiem z sygnalizacją awarii |
Styk, który tutaj został wykorzystany (13-14) jest stykiem NO wyłącznika silnikowego (F3). Sama żarówka jest zasilana napięciem 230V 50Hz. Żarówka zapali się jeśli wyłącznik silnikowy zadziała; silnik zostanie wyłączony za pomocą stycznika, a żarówka P1 "awaria" zaświeci się. Aby żarówka zgasła, a sam układ zaczął prawidłowo funkcjonować należy załączyć wyłącznik silnikowy.
W ostatnim schemacie, który tutaj pokażę dodałem dwie żarówki. Jedna sygnalizuje załączony układ, a druga awarię. Znowu skupię się tylko na elementach dodanych w tym schemacie.
![]() |
| Standardowy układ sterowania silnikiem wraz z sygnalizacją załączania i awarii |
Zasadę działania żarówki "awaria" (P1) opisywałem w schemacie powyżej. Teraz skupimy się na żarówkach informujących nas o pracy - załączonym silniku. Na schemacie dodałem dwie takie żarówki P2 i P3. Na pierwszy rzut oka - bez różnicy. Ale jak się jednak przejrzymy tym dwóm żarówką, a raczej gdzie są podłączone zobaczymy małą różnicę. Żarówka P3, która została wpięta równolegle z cewką stycznika zadziała po naciśnięciu przycisku "start" (S3). Nawet jeśli cewka stycznika będzie uszkodzona. Oczywiście po puszczeniu przycisku "start" żarówka już nie będzie się świecić. Ale może to w niektórych przypadkach powodować błędną ocenę sytuacji. Plusem takiego podłączenia żarówki jest dodanie tylko dwóch przewodów i samej żarówki. Sposób drugi dot. żarówki P2. Żarówka ta została podłączona dodatkowo przez styk pomocniczy NO (43-44) stycznika (Q1). Jeśli cewka stycznika będzie uszkodzona to żarówka również nie zostanie zapalona. A zatem w tym przypadku żarówka pokazuje prawdziwy stan stycznika Q1.
Oczywiście do powyższych schematów można dodać jeszcze dużo innych ciekawych podzespołów elektrycznych, choćby np. CKF. Na blogu pojawi się jeszcze kilka identycznych wpisów, które będą dot. prostej automatyki.
Jeśli masz pomysł na jakiś artykuł dot. elektryki - pisz śmiało. Postaram się coś przygotować na ten temat ;)





Mam pytanie, w opisie obwodu sterowania nie zostało opisane zabezpieczenie F2. Do czego ono służy, albo może inaczej jak ono zadziała?
OdpowiedzUsuńDzięki z czujność. Nie wyłapałem drobnego błędu w tekście. Opisałem zabezpieczenie F2, natomiast w nawiasie umieściłem F1.
UsuńGeneralnie ten wyłącznik nadprądowy ma za zadanie chronić układ sterowania. Czasami używa się również bezpieczników tzw. "radiowych".
Bezpiecznik ten ma za zadanie odłączyć obwód sterowania w wypadku jego uszkodzenia np. przebicia do obudowy ( I klasa ochronności).
Jeśli wyłącznik silnika F2 jest normalnie otwarty to styk pomocniczy F2 nie powinien być też NO? Wyłącznik F2 musi być włączony by przewodził prąd, gdy jest włączony styk pomocniczy F2 będzie zamknięty i w układzie sterowania popłynie prąd,jeśli zadziała wyłącznik silnika otworzy on styki pomocnicze a także zatrzyma płynięcie prądu w układzie sterowania
OdpowiedzUsuńO ile nie bylo edycji schematu to chyba chodzilo ci o wylacznik silnika F3. F2 to zwykly S. Wlaczony przewodzi do czasu wystapienia zbyt duzego pradu. Jezeli chodzi o F3 to zgodze sie, ze autorowi chyba chodzilo o styk pomocniczy NO w zabezpieczeniu silnikowym F3.
UsuńPodpinam sie do pytania o ile jeszcze ktos to redaguje.
Dzieki
Witam, mam pytanie, zbudowałem taki układ jak na schemacie, używam go w małym podajniku taśmowym w gospodarstwie, mogę regulować prędkości obrotowej, wiec dokupiłem falownik Falownik-LG-LS-iG5A, czy mógł mi ktoś poradzić jak wpiąć go do układu, proszę o pomoc, z góry dziękuję.
OdpowiedzUsuńArtykuł jak najbardziej ciekawy i bardzo przydatny. Warto było tutaj zajrzeć. Pozdrawiam
OdpowiedzUsuńF3 styk 13-14 nie powinien być NC?;)
OdpowiedzUsuńNie nie może być NC musi być NO i jak zadziała zabezpieczenie przeciążeniowe F1 to wtedy zwiera styki 13/14 i lampeczka czerwona się zapala .
UsuńPrzeciążeniowe F3 a dokładnie wyłącznik silnikowy jeżeli wybije to zamknie styk 13/14 i wtedy się zapali lampka
Usuń